External Source

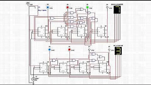
Multisim: 00-99 Up And Down Counter (decimal Counter)

2021 0:24
Synopsis
Follow us on Social Media: https://www.instagram.com/ohohcarie/ https://www.instagram.com/thatguycarie/ ...
Download Options
Choose a download method below. All links open in new tabs.
Service Features Action
SaveFrom
MP4 & MP3 • HD Quality • Browser Extension Available
Download
Security Notice: These are third-party services. We recommend using antivirus software and being cautious of pop-up ads.